Home > Photos

  • Articulated Finger Probe of IEC
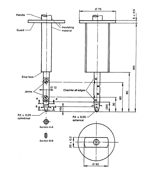
Articulated Finger Probe of IEC

Articulated Finger Probe of IEC

IEC 60529 Test Finger Probe B with 10N Force for IPX Test Equipment

Force Level: 10N

 
1. Conforms to: Standard IEC 61032-1997 / IEC 60529-2001 /  IEC60335 /  IEC60884 /  IEC60745 /  IEC60045 /  IEC60950 /  IEC60238 /  IEC60601 /  IEC60968 /  IEC61010 /  IEC60065 etc.
2. The Standard Test Knurled Finger Probe is the necessary appliance to prevent electric shock for household and similar electrical problem.
 
 
Technical Parameters:
Knurled Finger Diameter: 12 mm
Knurled Finger Length: 80 mm
Knurled Finger Length: 8 cm
Handle diameter: 4,5 cm
Handle length: 9,5 cm
 
 
Application:
1. The joint part of The Standard Test Knurled Finger Probe can't touch the live parts or close to the dangerous parts, and 50 mm to 20 mm baffle plate cannot enter.
2. In the prevent electric shock test, wirings , power devices, and lighting devices are needed.
 
 
Note:
Both joints shall permit movement in the same plane and the same direction through an angle of 90o with a 0o to +10o tolerance.
 

 




Company introduction

HK LEE HING INDUSTRY CO., LTD are specialized in manufacturing special, custom built, test and measuring equipment for products testing as per international norms and offering calibration services and related information. Our products and services are used by research & development establishments, test laboratories, defense establishments, government institutions & manufacturing industries to fulfill the clients' requirements.


Main Products: Go Not Go Gauges, IP Tester, Test Probe Kit, Impact Test Equipment, Test Probes, Spring Hammer, IEC 61032 Test Finger, AC Hipot Tester, IEC Test Probe, UL Test Probe, Material Flammability Tester, IP Code Tester, Impact Test Apparatus, Plugs and Socket Outlet Gauge, Security Testing Machine, Lamp Cap Gauge Tester, Lampholders Gauge Tester, Plug & Socket Tester, Electrical Safety Tester, LED Test Instruments, Environmental Test Equipment, Instrument Accessories, Weighing Sensor and More.


If you require equipment to test products such as home appliances, electrical accessories like switches, sockets, connectors, etc. industrial & road lighting luminaires, automobile lighting systems or related categories, we can provide the solutions you need.

We would appreciate your comments on the layout design, presentation or other aspects of our website.

Website: http://www.djscrm.com



Contact information

Contacts: Eason Wang

E-mail: info@iec-equipment.com

TEL: +86-755-33168386

FAX: +86-755-61605199

Phone: +86-15919975191

SKYPE: carlisle.wyk

Address: 1F Junfeng Building, Gongle, Xixiang, Baoan District, Shenzhen, Guangdong, China

ZIP: 518102

Website: http://www.djscrm.com/


main products

office area

factory area

device display

cooperative businesses

products certificate

mode of transport

contact info

Thank you for your order.


CATEGORIES

CONTACT US

Contact: Eason Wang

Phone: +86-13751010017

Tel: +86-755-33168386

Email: info@iec-equipment.com

Add: 1F Junfeng Building, Gongle, Xixiang, Baoan District, Shenzhen, Guangdong, China

close
Scan the qr codeClose
the qr code